Шумоізольований канальний вентилятор Вентс ВКМІ 200 С призначений для переміщення повітря по повітропроводах в системах припливної або витяжної вентиляції. Температура переміщуваного повітря може бути в діапазоні від - 25°С до +45°С. Максимальна продуктивність цієї моделі складає 1100 м3/год. Корпус з полімерним покриттям і клас захисту вентилятора дозволяють його встановлювати на вулиці. У якості шумоізоляції використовується мінеральна вата завтовшки 50 мм.
Вентилятор канальний відцентрового типу може встановлюватися на вулиці, у такому разі в місці розміщення передбачається навіс від попадання опадів на корпус.
Ця модель обладнана двигуном підвищеної потужності.
| Параметр | Величина |
| Напруга, В |
220-240 |
| Струм, А | 0,84 |
| Частота струму, Гц | 50 |
| Максимальна потужність, Вт |
193 |
| Продуктивність, м3/год |
1100 |
| Швидкість обертання, об/хв |
2780 |
| Рівень шуму на відстані 3 м, дБ(А) |
45 |
| Максимальна температура переміщуваного повітря, С | - 25....+45 |
| Вага, кг | 12,9 |
| Захист, клас |
IPХ4 |
| Розмір патрубка, мм |
200 |

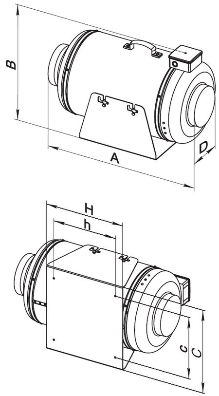
| Розміри | A | B | ∅D | H | C | h | c |
| мм | 625 | 410 | 198 | 320 | 389 | 250 | 250 |

Зовнішня сталева частина корпусу покрита полімерним покриттям, внутрішня частина перфорована і заповнена шумопоглинаючим матеріалом. Тепло- і шумоізоляція корпусу виконані з шару ізоверу товщиною 50 мм. Крильчатка і внутрішній корпус виготовлені з інженерного пластика.

Кріпильний кронштейн постачається окремо.
Застосовується однофазний элетродвигатель Blauberg із зовнішнім ротором, обладнаний робочим колесом із загнутими вперед лопатками. У двигуні використовуються підшипники кочення з ресурсом служби до 40000 годин. Турбіна проходить динамічне балансування для забезпечення точних аеродинамічних характеристик, перевірки якості складання і низького рівня шуму.
Двигун обладнаний вбудованим тепловим захистом з автоматичним перезапуском.
Клас захисту двигуна IP 44.
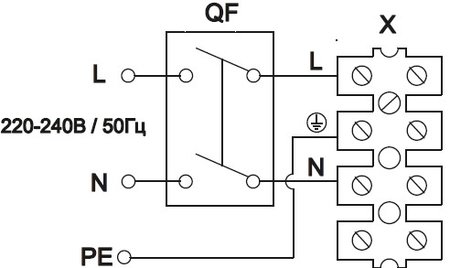
Вентилятор включається за допомогою зовнішнього вимикача(у комплект постачання не входить) згідно схеми підключення нижче.

Регулювання витрати повітря здійснюється з допомогою тиристорного регулятора РС-1-400 (постачається окремо). Регулювання відбувається плавно, шляхом повороту ручки.

Допускається монтаж під будь-яким кутом відносно осі вентилятора. Приєднання до стіни здійснюється за допомогою кріпильних кронштейнів, які купуються окремо. Подання живлення на вентилятор здійснюється через зовнішню клемну коробку. Електричне підключення і установка повинні виконуватися згідно з інструкцією і електричною схемою, вказаною на клемній коробці.
Виробник встановлює гарантійний термін виробу тривалістю 24 місяці(2 роки) з дати продажу виробу за умови виконання користувачем правил транспортування, зберігання, монтажу і експлуатації виробу.

(файл pdf, відкриється в новій вкладці)
| Загальні характеристики | |
| Діаметр повітровода | 200 мм |
| Напруга | 220 В |
| Продуктивність | 1100 м³/год |