Сенсорний регулятор швидкості Вентс СРС-1 використовується для плавного регулювання продуктивності однофазних вентиляторів систем припливної або витяжної вентиляції. Регулятор сумісний з вентиляторами, номінальний споживаний струм яких не перевищує 1 А.
Також можна до одного регулятора підключати декілька вентиляторів, якщо загальний споживаний струм не перевищує 1 А.
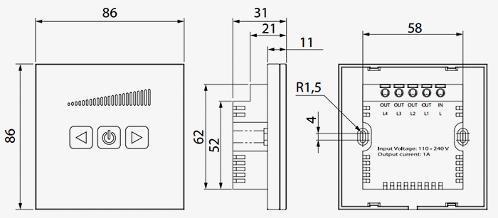
Сенсорна панель регулятора виготовлена з міцного загартованого скла, сам корпус виконаний з інженерного пластика.
| Включення, виключення, задати швидкість | Кнопка |
| За наявності напруги в мережі кнопка світиться синім кольором. Для включення або виключення вентилятора необхідно один раз натиснути кнопку. | ![]() |
| Для зменшення продуктивності натиснути кнопку. | ![]() |
| Для збільшення швидкості необхідно натиснути цю кнопку. | ![]() |
|
Як встановити необхідну мінімальну швидкість: |
|
| Крок 1. Необхідно натиснути і тримати цю кнопку впродовж 5 секунд, світлодіодний індикатор швидкості включиться на 50 % від усього діапазону. При цьому вентиляційне устаткування працюватиме на максимальній продуктивності | ![]() |
| Крок 2. Установка значення мінімальної продуктивності вентилятора : | |
| 2.2. Для збільшення натиснути кнопку | ![]() |
| 2.3. Для зменшення натиснути кнопку | ![]() |
| Рівень швидкості відображається на індикаторі сенсорної панелі. | |
| Для збереження вибраного значення необхідно натиснути дану кнопку. | ![]() |
| Для включення вентилятора в заданому режимі натиснути кнопку | ![]() |
При вході в режим налаштувань(крок 1) усі значення втрачаються, вентилятор починає працювати в режимі максимальної продуктивності.
| Параметр | Величина |
| Напруга в мережі В |
230 |
| Габарити АхВхС, мм |
86х86х31 |
| Максимальний номінальний струм, А |
1 |
| Діапазон температур навколишнього середовища, С |
от-10 до +45 |
| Захист, клас |
IP 30 |
| Маса, кг | 0,138 |
| Кількість спрацьовувань | 100000 |
| Переріз кабелю, мм2 | от 0,35 до 1 |


Регулятор обертів вентилятора призначений для установки усередині закритих приміщень на площині стіни в прихованій монтажній коробці. Може встановлюватися в стандартні електромонтажні круглі коробки.

Гарантійний термін складає 12 місяців від дати продажу. Постачальник не несе відповідальності за механічні ушкодження, використання регулятора не за призначенням, самостійної модифікації або ремонту.
| Загальні характеристики | |
| Номінальний струм регулятора | 1 А |